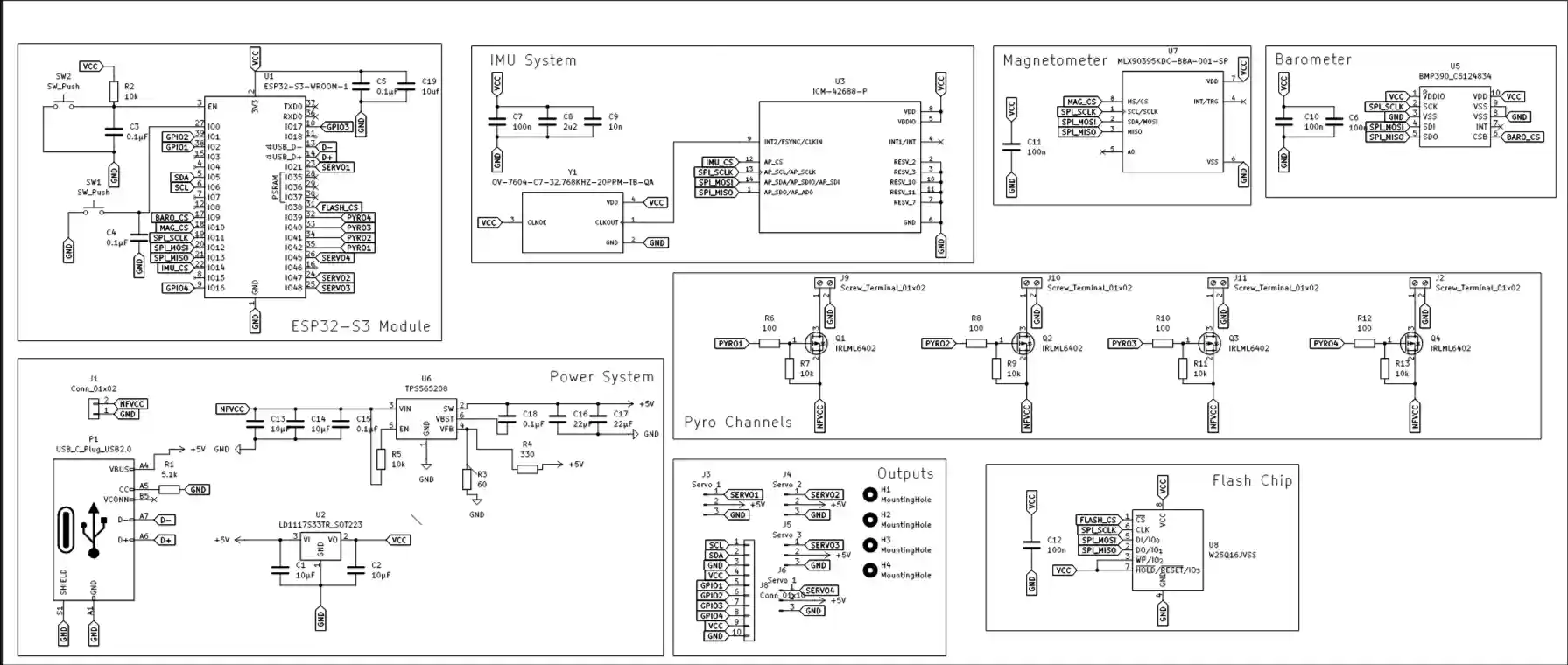
An ESP32-S3 based flight computer with an external flash, imu, barometer, magnetometer, 4 servo ports, and 4 pyrotechnic channels with MOSFETs. Designed for Aerospace applications.

Key Features
- Dual core Xtensa microcontroller
- 4 Servo Outputs
- 4 High current mosfet switches for pyrotechnic channels
- External 16 MB flash for flight logging
- IMU, Magnetometer, and Barometer for orientation and state estimation
- External expansion header with space for an I2C bus, 4 extra GPIO pins, and 2 pairs of power

