Schaltung von Relais und Dioden im Relaiscomputer

Mehr als 700 Relais 1, 1500 Dioden 2 und 450 Leuchtdioden 3 sorgen dafür, dass Du dem Relaiscomputer beim Rechnen zuhören und zusehen kannst.

Schaltplanausschnitt

Auf dieser Seite erfährst Du etwas über die wichtigsten verwendeten elektronischen Schaltungen. Alle Schaltungen wurden vereinfacht dargestellt. An der einen oder anderen Stelle werden Details erläutert und auf weiterführende Informationen in Wikipedia verwiesen.

Noch ein wichtiger Hinweis: Wenn Dir Volt, Ampere, Ohm, usw. … nichts sagen, dann lass die Finger von eigenen Experimenten mit Strom! Diese Seite ist weder Lehrbuch für Elektronik noch Bauanleitung für einen Computer.

Inhaltsverzeichnis

  1. Die berühmte Null (0) und Eins (1) im Relaiscomputer
    1. Der Logikpegel von 12V
    2. Die Bedienelemente für die Eingabe von Null (0) und Eins (1)
    3. Die Speicherzelle mit selbsthaltendem Relais
  2. Relais- & Dioden Logik
    1. Einfache Verknüpfungen mit Relais
    2. Die Diode - Dein Freund und Helfer beim Bauteile sparen
    3. Diode vs. Relais - logische ODER Verknüpfung
    4. Masse ist kein Schalter - logische Exklusiv ODER Verknüpfung
    5. Die Freilaufdiode
  3. komplexe Relais- & Dioden Schaltnetze
    1. 1 bit Volladdierer
    2. Binärkodierer mit einer Diodenmatrix
    3. Dekoder nach dem Binärbaumprinzip
    4. 7 Segment Anzeige Dekoder
    5. Dezimaleingabe - Einer, Zehner und Hunderter zerlegen
    6. Dezimalausgabe - Umrechnung in den Binär codierte Dezimalzahl (BCD)
    7. Double Dabble Umsetzer - wenn größer 4, addiere 3
  4. Takt und Zeitverhalten
    1. astabile Kippstufe mit Relais - Multivibrator
    2. monostabile Kippstufe mit Relais - Monoflop
    3. Schrittzähler mit Toggle Flipflop
  5. Das könnte Dich auch interessieren
  6. Begriffsklärung

Die berühmte Null (0) und Eins (1) im Relaiscomputer

Wird bspw. an den Eingang eines Schaltnetzes eine eine elektrische Spannung 4 angelegt, so steht dies im Relaiscomputer für den Logikpegel 5 "HIGH" = Eins (1) = 12V.

Ist ein Eingang andererseits offen, also keine Spannungsquelle verbunden, so entspricht dies im Relaiscomputer dem Logikpegel "LOW" = Null (0).

Damit sind auch schon die zwei Zustände, Null (0) und Eins (1), im Rechner für die Weiterverarbeitung definiert.

Der Logikpegel von 12V

Der Logikpegel "HIGH" von 12V ist im Relaiscomputer ein niederohmiger Pegel, da mit Ihm sowohl einzelne Relais, Relaisketten als auch Signalanzeigen in einem Stromkreis 6 angetrieben werden. Es kann so zu Schaltströmen von bis zu 200mA kommen.

Die Anzeige eines Logikpegels von Eins (1) erfolgt durch LED. Um Bauteile und Strom zu sparen kommen nur 12V LED, also LED ohne extra notwendigen Vorwiderstand, zum Einsatz. In den weiteren Schaltbildern wird der Einfachheit wegen das Schaltsymbol der "Lampe" synonym verwendet.

Schaltplan Logikpegel am Relais bzw. Anzeige mittels LED und Lampe

Abb: Logikpegel am Relais bzw. Anzeige mittels LED und Lampe

Die Bedienelemente für die Eingabe von Null (0) und Eins (1)

Alle Bedienelemente im Relaiscomputer sind als Taster ausgeprägt. Wird ein Taster gedrückt, so liegt eine Spannung von 12V an. Dies entspricht dem Logikpegel "HIGH", der Strom kann fließen. Ist der Taster offen, also keine Spannung und damit ist der Logikpegel "LOW", der Strom kann nicht fließen.

Schaltplan eines Stromkreises mit Taster, Relais und Anzeige

Abb: einfacher Stromkreis mit Taster, Relais und Anzeige

Die Speicherzelle mit selbsthaltendem Relais

Alle dynamischen Speicherzellen, wie der RAM oder die CPU Register, werden im Relaiscomputer durch ein selbsthaltendes 7 Relais je Bit realisiert.

Mittels eines Logikpegels "HIGH" am Eingang "Setzen", zieht das Speicherrelais an und hält sich über seinen Arbeitskontakt selbst. Für das setzen des Speichers auf Eins (1) ist ein kurzer Impuls ausreichend. Am "Ausgang" ist die Eins (1) gespeichert.

Ein Logikpegel "HIGH" am Eingang "Löschen" unterbricht die Stromzufuhr für das Speicherrelais, das Speicherrelais fällt ab. Für das Löschen des Speichers auf Null (0) ist ein kurzer Impuls ausreichend. Am offenen "Ausgang" ist der Zustand Null (0) gespeichert.

Der Zustand, wonach sowohl am Eingang "Setzen" und am Eingang "Löschen" der Logikpegel "HIGH" angelegt wird, ist nicht definiert und auch streng verboten.

Schaltplan einer Speicherzelle mit selbsthaltendem Relais für 1 bit

Abb: Speicherzelle mit selbsthaltendem Relais für 1 bit

Setzen Löschen Ausgang vorher Ausgang nachher
0 0 0 0
0 0 1 1
1 0 0 1
1 0 1 1
0 1 0 0
0 1 1 0
1 1 - undefiniert
Wahrheitstabelle für die Speicherzelle

Relais- & Dioden Logik

Alle logischen Verknüpfungen 8 die im Relaiscomputer benötigt werden, wie UND, ODER, Inverter und Exklusiv ODER lassen sich sehr einfach mit Relais und Diode realisieren.

Schaltverzögerungen (Latenzen) der folgenden Schaltungen und Schaltnetze spielen im Relaiscomputer zwar eine nicht zu unterschätzende Rolle, sind jedoch vernachlässigbar, wenn man den Systemtakt von 1Hz dieses Rechners zugrunde legt.

Einfache Verknüpfungen mit Relais

Der Logikpegel "HIGH" am Eingang trennt die Verbindung des Ausgangs zur Spannungsversorgung (12V entspricht ebenfalls dem Logikpegel "HIGH"). Der Ausgang ist nun offen und damit das Signal negiert, also "LOW".

Schaltplan logischer Inverter mit einem Relais

Abb: logischer Inverter mit einem Relais

Eingang Ausgang
0 1
1 0
Wahrheitstabelle für den Inverter

Für eine logische UND Verknüpfung werden die Arbeitskontakte (Schließer) der Relais in Reihe geschaltet. Erst wenn an beiden Eingängen der Logikpegel "HIGH" anliegt, schaltet der Ausgang ebenfalls auf "HIGH".

Schaltplan logische UND Verknüpfung mit zwei Relais

Abb: logische UND Verknüpfung mit zwei Relais

Diese UND Verknüpfung lässt sich weiter vereinfachen und ein Relais einsparen, indem Eingang-B nicht über ein extra Relais verarbeitet wird, sondern den Wechsler des Relais von Eingang-A mit dem Logikpegel versorgt.

Schaltplan logische UND Verknüpfung mit nur einem Relais

Abb: logische UND Verknüpfung mit nur einem Relais

Eingang-A Eingang-B Ausgang
0 0 0
0 1 0
1 0 0
1 1 1
Wahrheitstabelle für die UND Verknüpfung

Die Diode - Dein Freund und Helfer beim Bauteile sparen

Eigentlich müsste dieser Rechner "Relais- und Diodencomputer" heissen, da fast 1.000 Dioden in Schaltnetzen 9 verbaut sind. Die Diode erweist sich dabei als wahres Multitalent und hilft beim Sparen von teueren Relais und damit auch beim Sparen von Platz und Strom.

In folgenden Baugruppen finden sich die meisten Dioden als ODER Verknüpfung bzw. als Diodenmatrix:

Diode vs. Relais - logische ODER Verknüpfung

Kein Vorteil ohne Nachteil. Der bedeutendste Nachteil der Diode gegenüber dem Relais in Schaltnetzen besteht in dem Spannungsabfall 10 und damit dem Logikpegelabfall von 0,7V über dem Bauteil, der Diode selbst.

Für die folgende ODER Verknüpfung mit Dioden bedeutet dies, dass am Ausgang bei einem Eingangslogikpegel von 12V, nur noch 11.3V übrig bleiben.

Schaltet man nun weitere solche ODER Glieder direkt hintereinander, so ist der Spannungsabfall am Ende des Schaltnetzes so gravierend, dass nicht mehr genügend Logikpegel zum Durchschalten der Relais zur Verfügung steht. Dies wurde bei der Konstruktion des Relaiscomputers berücksichtigt.

Schaltplan logische ODER Verknüpfung mit Dioden

Abb: logische ODER Verknüpfung nur mit Dioden

Im Vergleich dazu, die ODER Schaltung mit zwei Relais. Während die Dioden Schaltung mit nur 4 Cent Materialkosten, praktisch ohne Stromverbrauch ist und sehr wenig Platz auskommt, schlagen bei der Realisvariante mehr als 2 EUR Materialkosten, 4 Stück Würfelzucker Platzverbrauch und einem Stromverbrauch von 24mA zu Buche.

Das gigantische Einsparpotential der ersten Schaltung offenbart sich alleine durch hunderte erforderliche ODER Verknüpfungen verschiedenster Schaltnetze.

Schaltplan logische ODER Verknüpfung mit zwei Relais

Abb: logische ODER Verknüpfung mit zwei Relais

Eingang-A Eingang-B Ausgang
0 0 0
0 1 1
1 0 1
1 1 1
Wahrheitstabelle für die ODER Verknüpfung

Masse ist kein Schalter - logische Exklusiv ODER Verknüpfung

Alle Relais der logischen Schaltungen im Computer sind mit einem Anschluss immer gegen Masse 11 verbunden. Das Relais kann somit nur über einen Anschluss mittels Logikpegel "HIGH" geschaltet werden.

Theoretisch könnten auch beide Relaisanschlüsse als gleichwertige Eingänge, wie am nachfolgenden Beispiel einer logischen Exklusiv ODER (XOR) Verknüpfung gezeigt, verwendet werden. Daraus ergäbe sich allerdings die Notwendigkeit die logische Null (0) im gesamten System als Kurzschluss gegen Masse abzubilden, statt den Logikpegel "LOW" durch einen offenen Eingang zu realisieren. Zweifelsohne steigert solch ein Ansatz die Komplexität des gesamten Aufbaus, weshalb darauf verzichtet wurde.

Schaltplan logische XOR Verknüpfung mit einem Relais

Abb: logische XOR Verknüpfung mit zwei Relais

Folgende Exklusiv ODER Schaltung benötigt ein Relais mehr und kommt nur im Addierwerk als Teil des Volladdierers zum Einsatz. An dieser Stelle lohnt sich das Bauteile sparen also nicht wirklich.

Schaltplan logische XOR Verknüpfung mit zwei Relais

Abb: logische XOR Verknüpfung mit zwei Relais

Eingang-A Eingang-B Ausgang
0 0 0
0 1 1
1 0 1
1 1 0
Wahrheitstabelle für die XOR Verknüpfung

Die Freilaufdiode

Zu guter Letzt ein weiteres technisches Detail. Jedes Relais hat eine parallel zur Arbeitsspule geschaltete Schutzdiode 12 bzw. Freilaufdiode in Sperrichtung. Um Strom zu sparen, kommen im Relaiscomputer ausschließlich einzelne LED als Signalanzeigen bzw. 7 und 16 LED Segmentanzeigen zum Einsatz. LED reagieren allerdings recht empfindlich auf hohe Überspannungen in Sperrichtung. Die Freilaufdiode begrenzt nun bei jedem Abschaltvorgang die selbstinduzierte Abschaltspannung von mehreren 100V der Arbeitsspule des Relais auf 0.7V und schützt damit den gesamten Aufbau. In den Schaltbildern, wird diese Diode nicht extra aufgeführt.

Schaltplan Freilaufdiode für die Arbeitsspule im Relais

Abb: Freilaufdiode für die Arbeitsspule im Relais

komplexe Relais- & Dioden Schaltnetze

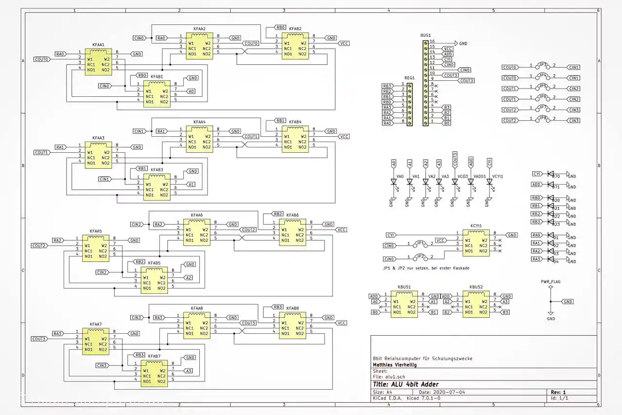
1 bit Volladdierer

Aus der Kombination von Exklusiv ODER, UND und ODER Verknüpfungen lässt sich das Herzstück des Rechners, das Addierwerk aufbauen. Die Schaltung zeigt einen Volladdierer 13 für ein einzelnes bit. Für ein 8bit Addierwerk müssen 8 dieser Volladdierer verschaltet werden.

Die beiden Summanden werden am "Eingang-A" und "Eingang-B" erwartet. Das Additionsergebnis steht am Ausgang "Summe" zur Verfügung. Ergibt die Addition einen Überlauf, so wird dies am Überlauf Ausgang "CarryOut" durch den Logikpegel "HIGH" angezeigt. Neben den beiden Summanden wird über den Eingang "CarryIn" der Überlauf des niederwertigen Nachbarbits erwartet.

Schaltplan Volladdierer mit Relais

Abb: Volladdierer mit Relais für ein bit

Eingang-A Eingang-B Carry In Summe Carry Out
0 0 0 0 0
0 1 0 1 0
1 0 0 1 0
1 1 0 0 1
0 1 1 0 1
1 0 1 0 1
1 1 1 1 1
Wahrheitstabelle für den Volladdierer

Binärkodierer mit einer Diodenmatrix

Die folgende Schaltung zeigt beispielhaft die Anwendung der ODER Verknüpfung in einer Diodenmatrix. Hier wird jeweils zu einem Eingang aus "Eingang-1" bis "Eingang-7" der zugehörige Binärwert am "Ausgang-bit-0" bis "Ausgang-bit-2" kodiert. Der "Eingang-0" kann gespart werden, da am Ausgang alle Bits Null wären.

Schaltplan Kodierer Diodenmatrix

Abb: Kodierer 1 aus 7 zu binär mit einer Diodenmatrix

E-1 E-2 E-3 E-4 E-5 E-6 E-7 A-bit-2 A-bit-1 A-bit-0
0 0 0 0 0 0 0 0 0 0
1 0 0 0 0 0 0 0 0 1
0 1 0 0 0 0 0 0 1 0
0 0 1 0 0 0 0 0 1 1
0 0 0 1 0 0 0 1 0 0
0 0 0 0 1 0 0 1 0 1
0 0 0 0 0 1 0 1 1 0
0 0 0 0 0 0 1 1 1 1
Wahrheitstabelle für den Kodierer 1 aus 7 zu binär

Dekoder nach dem Binärbaumprinzip

Das Gegenstück zum Kodierer mittels Diodenmatrix ist der Dekoder nach dem Binärbaumprinzip. Dieser wandelt einen binären Wert an den Eingängen "Eingang-bit-0" bis "Eingang-bit-2" in einen aus 8 Ausgängen von 0 bis 7 um. Im Relaiscomputer kommt die Schaltung als Befehlsdekoder, Schrittdekoder und im Adressregister M zum dekodieren der Speicheradressen zum Einsatz.

Schaltplan Dekoder mit Relais

Abb: Dekoder binär zu 1 aus 8 mit Relais

bit 2 bit 1 bit 0 A-0 A-1 A-2 A-3 A-4 A-5 A-6 A-7
0 0 0 1 0 0 0 0 0 0 0
0 0 1 0 1 0 0 0 0 0 0
0 1 0 0 0 1 0 0 0 0 0
0 1 1 0 0 0 1 0 0 0 0
1 0 0 0 0 0 0 1 0 0 0
1 0 1 0 0 0 0 0 1 0 0
1 1 0 0 0 0 0 0 0 1 0
1 1 1 0 0 0 0 0 0 0 1
Wahrheitstabelle für den Dekoder binär zu 1 aus 8

7 Segment Anzeige Dekoder

Die folgende Schaltung demonstriert die Ansteuerung einer 7 Segment LED Anzeige beispielhaft mit einer zwei bit Zahl am Eingang für die Darstellung der Ziffern 0 bis 3. Im Relaiscomputer werden natürlich alle Ziffern von 0 bis 9 (BCD) und 0 bis F (Binär) nach diesem Funktionsschema für den Anzeigedekoder umgesetzt.

Hierfür wurde ein Dekoder 14 und ein Kodierer 15 miteinander kombinieret. Das Prinzip beruht auf dem dekodieren der binären Eingabe in 1 aus 4 und das anschließende Kodieren von 1 aus 4 in die einzelnen Segmente (a bis g) der 7 Segmentanzeige.

Schaltplan 7 Segment Anzeige Dekoder

Abb: 2 bit zu 7 Segment Anzeige Dekoder

bit 1 bit 0 a b c d e f g Anzeige
0 0 1 1 1 1 1 1 0 0
0 1 0 1 1 0 0 0 0 1
1 0 1 1 0 1 1 0 1 2
1 1 1 1 1 1 0 0 1 3
Wahrheitstabelle für den 7 Segment Anzeigedekoder

Umwandlung dezimal ⇆ binär

Die besondere Problematik der Umwandlung vom Binär- ins Dezimalsystem und umgekehrt wird deutlich wenn man sich bewusst macht, dass die 3 stellige Dezimalzahl 255, umgewandelt ins Binärsystem mit nur 2 Zeichen auskommt. Für die Darstellung einer Ziffer werden 4 bit benötigt. Einfach ausgedrückt geht es darum 8 bit im Binärformat in einen 12 bit breiten Dezimalen Binärcode umzuwandeln und umgekehrt. Binär 1111 1111 entspricht im Dezimalen Binärformat 0010 0101 0101 (Dezimal: 255).

Dezimaleingabe - Einer, Zehner und Hunderter zerlegen

Mittels Binärkodierer wird die Dezimaleingabe von der 3stelligen Dezimaltastatur in drei binäre Werte für die Einerstelle, Zehnerstelle und Hunderter zerlegt. Dies hat den Zweck, damit der Dezimalwert in einen Binärwert umgerechnet werden kann.

Bedienelemente

Abb.: Dezimaleingabe, v.l.n.r: Hunderter, Zehner, Einer

Für die Einerstelle werden nur 4 bits, also bit0 bis bit3 benötigt um die Dezimalzahlen von 0 bis 9 darzustellen.

Taste 1er 128 064 032 016 008 004 002 001
E3 E2 E1 E0
0 0 0 0 0
1 0 0 0 1
2 0 0 1 0
3 0 0 1 1
4 0 1 0 0
5 0 1 0 1
6 0 1 1 0
7 0 1 1 1
8 1 0 0 0
9 1 0 0 1
Kodiertabelle 1er (Einer)

Für die Zehnerstelle werden 6 bits, also bit1 bis bit6 benötigt um die Dezimalzahlen von 10 bis 90 darzustellen.

Taste 10er 128 064 032 016 008 004 002 001
Z6 Z5 Z4 Z3 Z2 Z1
00 0 0 0 0 0 0
10 0 0 0 1 0 1
20 0 0 1 0 1 0
30 0 0 1 1 1 1
40 0 1 0 1 0 0
50 0 1 1 0 0 1
60 0 1 1 1 1 0
70 1 0 0 0 1 1
80 1 0 1 0 0 0
90 1 0 1 1 0 1
Kodiertabelle 10er (Zehner)

Für die Hunderterstelle werden 5 bits, also bit2 und bit3 sowie bit5 bis bit7 benötigt um die Dezimalzahlen von 100 und 200 darzustellen. Bit0, bit1 und bit4 sind immer 0. Weil der Rechner nur 8 bit Wortbreite hat (Dezimal = 255), sind auch keine größeren Hunderter Werte als 200 möglich.

Taste 100er 128 064 032 016 008 004 002 001
H7 H6 H5 H3 H2
000 0 0 0 0 0
100 0 1 1 0 1
200 1 1 0 1 0
Kodiertabelle 100er (Hunderter)

Beispielhaft die Schaltung des Kodierers für die Hunderter Eingabe. Das kodieren erfolgt mittels Diodenmatrix.

Schaltplan Kodierer mit Diodenmatrix für 100er Eingabe

Abb: Kodierer mittels Diodenmatrix für die Hunderter Eingabe

Die Umrechnung erfolgt durch die Addition aller drei binären Wertigkeiten für Einer, Zehner und Hunderter über den eigenen Maschinenbefehl INP im Addierwerk.

Eing.Dezimal 128 064 032 016 008 004 002 001
1er E3 E2 E1 E0
+ 10er Z6 Z5 Z4 Z3 Z2 Z1
+ 100er H7 H6 H5 H3 H2
B7 B6 B5 B4 B3 B2 B1 B0
Tabellarische Darstellung der Zerlegung in 1er, 10er und 100er
Eing.Taste 128 064 032 016 008 004 002 001
3 0 0 1 1
+ 70 1 0 0 0 1 1
+ 100 0 1 1 0 1
= 173 1 0 1 0 1 1 0 1
Beispielrechnung für die Dezimalzahl 173

Dezimalausgabe - Umrechnung in den Binär codierte Dezimalzahl (BCD)

Die umzuwandelnde binäre 8 bit Zahl wird 8 mal, jeweils um ein bit, nach links, in ein 12 bit breites BCD Ergebnisfeld verschoben. Im BCD Code wird jede Ziffer durch 4 bit dargestellt. Wenn nach dem Verschieben bei einer oder mehreren Ziffern (Hunderter, Zehner, Einer) der binärwert größer 4 ist, wird 3 dazu addiert.

SHL HUND ZEHN EINS in binär out Dezimal
0 1100 1101 H=0, Z=0, E=0
1 1 100 1101 H=0, Z=0, E=1
2 11 00 1101 H=0, Z=0, E=3
3 110 0 1101 H=0, Z=0, E=6
+ 1001 0 1101 H=0, Z=0, E=6+3
4 1 0010 1101 H=0, Z=1, E=2
5 10 0101 101 H=0, Z=2, E=5
+ 10 1000 101 H=0, Z=2, E=5+3
6 101 0001 01 H=0, Z=5, E=1
+ 1000 0001 01 H=0, Z=5+3, E=1
7 1 0000 0010 1 H=1, Z=0, E=2
8 10 0000 0101 H=2, Z=0, E=5
= 2    0    5 BCD
Double Dabble Algorithmus, Schritt für Schritt, am Beispiel der Zahl 205

Double Dabble Umsetzer - wenn größer 4, addiere 3

Im Relaiscomputer wird die BCD Umwandlung mit Relais und Dioden gelöst. Der Double Dabble Algorithmus ist dabei fest verdrahtet und besteht aus einem Dekoder und einem Kodierer. Auch hier beruht das Prinzip zunächst auf dem dekodieren der binären Eingabe in 1 aus 9 und das anschließende Kodieren von 1 aus 9 in den neuen Binärwert für BCD.

Sieben gleichartige Double Dabble Module werden versetzt verschaltet und übernehmen damit die Umrechnung einer Binären Zahl zu BCD.

Schaltplan Double Dabble Umsetzer

Abb: Double Dabble Umsetzer - Wenn größer 4, addiere 3 - mit Relais

Folgende Wahrheitstabelle zeigt die Funktion eines Moduls mit den Eingängen E1 - E4 und den Ausgängen A1 - A4. Alleine durch die Verschaltung ist sichergestellt, dass es am Eingang eines jeden Moduls niemals einen größerer Wert als 9 geben kann.

Wert E4 E3 E2 E1 A4 A3 A2 A1
0 0 0 0 0 0 0 0 0
1 0 0 0 1 0 0 0 1
2 0 0 1 0 0 0 1 0
3 0 0 1 1 0 0 1 1
4 0 1 0 0 0 1 0 0
5 0 1 0 1 1 0 0 0
6 0 1 1 0 1 0 0 1
7 0 1 1 1 1 0 1 0
8 1 0 0 0 1 0 1 1
9 1 0 0 1 1 1 0 0
>9 - - - - - - - -
Wahrheitstabelle: wenn größer 4, addiere 3

Takt und Zeitverhalten

Obwohl der Relaiscomputer nur mit einer Taktfrequenz von 1Hz betrieben wird, bedarf es eines gut abgestimmten Zeitverhaltens um die Latenz der Schaltzyklen zu berücksichtigen und einen sicheren Betrieb zu gewährleisten.

Gerade die Reihenschaltung in Relaisketten verursacht signifikante und sogar "hörbare" Schaltverzögerungen. Mit anderen Worten: Der Systemtakt darf nicht schneller sein, als die langsamste Relaiskette zum Schalten benötigt.

astabile Kippstufe mit Relais - Multivibrator

Der Systemtakt wird von einer astabilen Kippstufe 16, auch astabiler Multivibrator genannt erzeugt. Es handelt sich dabei um einen symmetrischen Rechteckimpuls von 1Hz. Die Frequenz wird maßgeblich durch die beiden Kondensatoren und dem Widerstand des Relais (960 Ω) bestimmt.

Die Kippstufe wird durch die Relais K1 und K2 realisiert. K3 dient lediglich als Inverter.

Nach Anlegen der Betriebsspannung lädt sich der Konensator C2 auf. Währenddessen zieht das Relais K2 kurzzeitig an und fällt wieder ab, der Kondensator C2 bleibt geladen.

Um die Kippstufe zu starten wird an "Start" der Logikpegel "HIGH" angelegt. Hierdurch zieht das Relais K1 für die Dauer des Ladevorgangs für Kondensator C1 an und entlädt dabei den Konensator C2. Sobald jedoch der Kondensator C1 voll geladen ist, fällt das Relais K1 wieder ab und schliesst für das erneute Laden von Kondensator C2 den Stromkreis mit Relais K2. In der Folge zieht das Relais K2 an, entlädt Kondensator C1 und fällt ab, sobald Kondensator C2 voll geladen ist. Der Vorgang wiederholt sich dauernd und endet erst, wenn am Eingang "Start" der Logikpegel auf "LOW" geht.

Die Widerstände R1 und R2 begrenzen den Entladestrom der Kondensatoren um den Aufbau zu schützen.

Schaltplan astabile Kippstufe mit Relais

Abb: astabile Kippstufe mit Relais

monostabile Kippstufe mit Relais - Monoflop

Innerhalb eines Taktimpulses werden bspw. für die Verwendung der CPU Register kurze Impulse benötigt um den Registerinhalt zu löschen. Diese Aufgabe erledigt eine monostabile Kippstufe 17, auch Monoflop genannt. Der hier benötigte Impuls ist ca. 250ms lang und hängt vom Kondensator und dem Widerstand des Relais (960 Ω) ab. Das erste Relais dient hauptsächlich dem Entladen des Kondensators, wenn kein Eingangssignal anliegt.

Schaltplan Monostabile Kippstufe mit Relais - Monoflop

Abb: monostabile Kippstufe mittels Relais

Schrittzähler mit Toggle Flipflop

Eine der wichtigsten Schaltungen im Relaiscomputer ist der Schrittzähler für den Maschinenzyklus und den Programmzähler. Grundbaustein für den Schrittzähler ist das sogenannte Toggle Flipflop (T-Flipflop) 18.

Die Schaltung zeigt ein T-Flipflop. Nach dem Anlegen der Betriebsspannung von 12V zieht das Relais K2 sofort an. Am Ausgang steht somit der Logikpegel "HIGH".

Ein Impuls (Logikpegel "HIGH") am Takt Eingang aktiviert Relais K3. In diesem Augenblick wird die Spannungsversorgung von K2 unterbrochen, K2 fällt ab und Relais K3 hält sich über seinen Schließerkontakt selbst. Am Ausgang steht jetzt der Logikpegel "LOW".

Der nächste Impuls (Logikpegel "HIGH") am Takt Eingang aktiviert Relais K1. In diesem Augenblick wird die Spannungsversorgung von Relais K3 unterbrochen, K3 fällt ab und stellt die Spannungsversorgung für Relais K2 mit fallender Taktflanke wieder her. Relais K2 zieht erneut an und wird über den Öffnerkontakt von Relais K3 gehalten. Am Ausgang steht jetzt wieder der Logikpegel "HIGH".

Mit jedem Taktimpuls am Eingang "Takt" also, schaltet der Ausgang den Logikpegel von "LOW" nach "HIGH" und umgekehrt. Dadurch wird die Taktfrequenz am Ausgang eines T-Flipflop halbiert. Das T-Flipflop kann am Eingang "Setzen" gesetzt bzw. am Eingang "Löschen" gelöscht werden.

Werden nun mehrere dieser T-Flipflop hintereinander geschaltet, so erhält man einen programmierbaren asynchronen binären Vorwärtszähler. 19

Schaltplan Toggle Flipflop

Abb: Toggle Flipflop